中等功率應用是 Wolfspeed WolfPACK™ 功率模組“最理想的應用配對”
Article
隨著電力電子設備的採用越來越廣,設計工程師不斷面臨著挑戰,需要創建比以往效率更高的系統。通常,面臨的重大挑戰之一是為新設計選擇最合適的元件,這對於在不增加不必要系統成本的情況下滿足轉換器規格而言至關重要。Wolfspeed 深知這一挑戰,不斷擴充我們的產品組合,以更好地滿足客戶需求。我們的目標是向應用工程師提供廣泛的產品,採用後可使其設計比競爭對手更高效、更可靠、更可靈活配置。
經過 30 多年的碳化矽(SiC)研發,我們目前的產品組合中包含各種 SiC 肖特基二極體、MOSFET 和功率模組,涵蓋了廣泛的功率要求。相較於矽(Si)電晶體, 出色的載流能力和更低的開關損耗使轉換器具有更高的效率和功率密度,最終為中等功率轉換器(10 至 100 kW)帶來了最佳解決方案。也正因如此,Wolfspeed 近期推出了 WolfPACK™ 功率模組系列。對於傳統上進行分立式元件並聯的轉換器,該系列功率模組可謂是理想的替代方案。
功率模組對比分立式電晶體
在中等功率應用中,分立方案通常在每個開關節位置上要求多個元件。無論是並聯式還是交錯式,這些額外的元件都會進一步增加電路板佈局、熱管理、隔離、電磁干擾(EMI)和可靠性方面的設計挑戰。功率模組提供的關鍵優勢在於,它們在設計上可降低此類挑戰的複雜性,並可大大減輕系統設計負擔(特別是在替代一排分立式電晶體時)。圖 1 從概念上展示了適合於 WPAC 系列的功率輸出範圍;功率水準超過 10 kW 時,分立式解決方案的複雜性隨之增加,這讓 WolfPACK 系列在成本方面更具吸引力。

中等功率系統分立式方案設計的典型挑戰
設計分立式方案元件的轉換器時,設計人員必須對所需的電晶體規格(如阻斷電壓、額定電流、導通電阻和開關能量)加以謹慎考慮。通常,一個重大的設計問題是對元件的選擇,而且由於封裝限制,分立式元件會限制可擴展性。這意味著,增加系統功率要求(或設計更高輸出功率的轉換器)通常需要大量重新設計。此外,重複的元件選擇還需要新的、更高電壓/電流的電晶體,並且常常還需要進行新的熱管理、PCB 佈局和機械設計來適應封裝。
如果選擇採用並聯更多晶體管的方法,會帶來一系列新的挑戰。例如,採用新元件及 其熱管理和週邊元件(如柵極驅動器和無源元件)將需要佔用更多空間。由於並聯電晶體間電感不平衡會導致更高損耗、電壓過沖和壽命縮短,因而會帶來更多佈局上的挑戰。換言之,大幅度擴展分立式方案轉換器的輸出功率與設計新轉換器一樣,挑戰重重。
由於轉換器的目標是通過更高的開關頻率來實現更大的功率密度,因此設計分立式元件的挑戰也隨之增加。實現高開關頻率所需的更快轉換速率會給控制系統帶來電磁干擾,特別是在 PCB 設計不佳的情況下。電磁干擾所可能直接引發電晶體誤開啟,進而會導致額外損耗、器件壽命縮短,甚至使轉換器失效。更快的轉換速率還會增加柵極驅動器成本,因為需要進行大量隔離來保護敏感控制系統免受功率瞬變的影響。此類柵極驅動器成本也與所需的並聯電晶體數量有關。
避免中等功率設計的常見失效模式:減少雜散電感
減少雜散電感對轉換器設計至關重要。PCB 走線、封裝、連接器、介面、引線和電線都會引起雜散電感,在設計功率和柵極回路時必須謹慎。尤為關鍵的是將柵極和功率回路耦合在一起的電感,這些電感為電源和信號源連接所共用(即共源電感)。採用獨立開爾文連接的封裝通常是首選,因為這種封裝可消除任何外部的源極寄生電感(LCS)。雖然上述考量在轉換器設計中一直都很重要,但當利用高 di/dt 的 SiC 電晶體時,這些雜散電感會發揮更為關鍵的角色。這是因為由 MOSFET 開關產生的 di/dt 會在寄生電感上產生電壓(VL = L × di/dt),而這會增加 MOSFET 漏極的電壓峰值。因此,母線電壓和 MOSFET 阻斷電壓間所需的裕量與開關速度和寄生電感直接息息相關。由於開關速度也與開關損耗相關,因此,減少寄生電感遠比降低開關速度要有益得多。這些影響在並聯元件時會變得更糟,因為在開關瞬間可能會發生明顯的電流不平衡。
採用功率模組可消除許多此類設計上的挑戰,對功率和柵極回路的優化會更容易,因為許多必要的工程設計已經在模組中完成。這降低了轉換器設計的複雜性,並簡化了對佈局的改動。設計人員還可從 Wolfspeed 的“設計庫”中查找可靠的模組佈局經驗法則。
避免中等功率設計的常見失效模式:簡化熱管理
通常,分立式元件需要在其熱介面和熱管理系統之間進行電壓隔離。原因在於散熱片或冷板將接地,而分立元件將暴露于高電壓下。功率模組通過將元件貼裝到合適的銅面陶瓷(通常稱為直接敷銅基板 [DBC])上,從而無需進行額外的絕緣設計。功率模組設計中採用的傳統堆疊方式,將 DBC 連接到金屬(或複合材料)底板上,底板上帶有用於將模組固定在散熱片或冷板上的的安裝點。安裝底板時必須要謹慎,因為壓力不均或熱傳介質材料 (TIM) 不足/過量,都會增加模組和熱管理系統之間的熱阻。
實現這些介面之間良好的熱傳遞需要兩個主要因素:熱阻(Rth)和熱膨脹係數(CTE)。
Rth 是熱從一個介面傳遞到另一個介面的容易程度的模型 - Rth 越高,表明從熱源中提取的熱能(或功率損耗)就越少。熱阻的大小取決於接 觸面積、材料的熱導率和層厚。在帶底板的功率模組中,必須對 RJC(即電晶體晶片和底板外殼間的熱阻)以及外殼和散熱片間的熱阻加以考慮。為了降低 RJC,全新的 Wolfspeed WolfPACK 模組採用無底板,實現了對 DBC 基板的直接冷卻。這增加了電晶體的熱傳遞,降低了給定功率水準下晶片的結溫(圖 2)。

3
通常,SiC 晶片的 CTE(4.0 10–6/K)與陶瓷基板的 CTE 相匹配,後者一般由氮化鋁(AlN: 4.5 10–6/K)或氧化鋁(Al2O3: 8.2 10–6/K)構成。但出於機械原因,底板一般由銅(Cu: 16.5 10–6/K)或 Al-SiC 複合材料(8.4 10–6/K)製成。這種不匹配,加上 DBC 和陶瓷之間的剛性接合層,會導致材料結點處應力的增加。這些作用在 DBC 和底板間大接觸介面上的熱機械應力,會導致焊點疲勞和斷裂。充足的熱迴圈會引起焊點分層(這會大大增加熱阻),甚至會使脆性陶瓷 DBC 斷裂,導致模組失效。
Wolfspeed WolfPACK 獨特的無底板設計消除了與不匹配材料的剛性連接,進而消除了這種機械性失效點。底板安裝螺栓被替換成金屬扣片,金屬扣片在塑膠外殼上拉動,將力均勻地分佈在基板上。由於 DBC 和散熱片之間的介面是柔性潤滑脂(而非剛性焊料),因此可允許材料間的脹差,而不會產生很大的應力。除了可靠性優於手動和自動焊接外(參見表 1),這些壓合式金屬扣片還大大降低了功率模組的組裝成本。這種安裝方法便於將任何數量的模組和其他元件安裝到單一散熱片或冷板上,由此簡化了熱系統設計。
Process | Conductor Diameter (mm2) | Failure Rate λ ref in FIT(1) | Notes: Standards/Guidelines | |
|---|---|---|---|---|
Solder | Manual Automatic | - | 0.5 0.05 | IPC 6102, class 2 |
PressFIT | 0.3 to 2 | 0.005 | IEC 60352-5 | |
Wire Bonding for hybrid circuit | Al Au | - | 0.1 0.1 | 28 µm / wedge bond 25 µm / wedge bond |
Winding | 0.05 to 0.5 | 0.25 | DIN EN 60352-1 / IEC 60352-1 CORR1 | |
Crimping | Manual Automatic | 0.05 to 300 | 0.2 | DIN EN 60352-1 / IEC 60352-2 A 1+2 |
Clips | 0.1 to 0.5 | 0.2 | DIN 41611-4 | |
Insulation Piercing Connectors | 0.05 to 1 | 0.25 | IEC 60352-3 / IEC 60352-4 | |
Screws | 0.5 to 16 | 0.5 | DIN EN 60999-1 | |
Terminals (spring force) | 0.5 to 16 | 0.5 | DIN EN 60999-1 | |
1) 1 FIT = 1 x 10-9 1/h; (one failure per 109 component hours) 2) Acceptance conditions for PCBs |
設計人 員如何利用 Wolfspeed WolfPACK 擴展功率?
與分立式元件和傳統功率模組相比,Wolfspeed WolfPACK 模組的大功率/大電流能力大大簡化了中等功率轉換器(最高 100 kW)的設計,易於使其更具擴展性,而且佔用空間小,可實現更高的功率密度。Wolfspeed WolfPACK 模組提供一系列不同規格和配置,這允許許多功率系統得以快速開發、易於構建和維護,且在現場實現高可靠性。這些模組的最大額定漏源極電壓(VDS)為 1,200 V,連續漏極電流(ID)為 30 A 至 100 A,可輕鬆構成中等功率系統的單元模組。此外,Wolfspeed WolfPACK 模組解決方案的可擴展性非常高,因為得益於模組設計,通過交錯和並聯擴展系統要簡單得多。
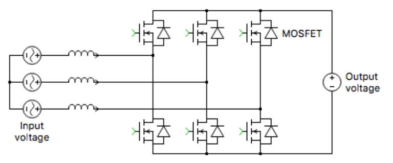
在電動汽車充電、太陽能轉換/儲存和電源供應等無數應用中,都需要中等功率直流/直流轉換器。例如,可通過並聯連接任意數量的功率橋臂來擴展最大輸出電流/功率能力,同時減小電流紋波,來實現多相交錯、雙向直流到直流轉換器(圖 3)。三相交錯的直流/直流轉換器開關的柵極信號被移相 120°,以消除低頻諧波。只需對控制器和熱系統進行較小改動即可實現交錯。輸出功率可達 60 多千瓦,仍遠低於 SiC 晶片的最大結溫,使系統能夠在其使用壽命內可靠地運行。交錯是一種上佳的策略,可避免並聯器件的某些挑戰,同時還能提高系統性能,減小輸出電感的尺寸。

這種交錯方法可應用於各種轉換器和逆變器架構,從而在不犧牲電氣和熱性能的情況下可靠地擴展功率。加上 SiC 技術優勢和無底板 Wolfspeed WolfPACK 系列簡化的熱管理,使得寬輸出功率範圍的轉換器系列的設計從未如此容易!
簡單的可擴展性是 Wolfspeed WolfPACK™ 系列無底板功率模組的典型特徵之一。如前所述,增加系統功率能力的一種方法是交錯或並聯模組。但要擴大基於 FM3 的系統額定功率的一種最簡單的方法是將 GM3 插入到您的解決方案中。但可擴展性不僅僅是功率,還與選擇相關 - 這些選擇可增強您當前解決方案的性能,具體取決於您試圖通過可擴展系統實現什麼。
為了説明理解插入 GM3 可在系統中帶來什麼益處,讓我們考慮具有如下參數的典型 2 電平平並網逆變器或 AFE 系統,如下所示:800 VDC 匯流排電壓,480 VAC 線路間有效值柵極電壓(RMS),環境溫度 Tamb = 50 °C,線路電感 L = 100 µH。每個橋臂代表半橋 FM3 或 GM3 Wolfspeed WolfPACK™ 功率模組。

在本研究中,我們將 CAB011M12FM3(11 mΩ)視為我們基於 FM3 的參考基準。使用上述定義的系統參數並在相對較高的開關頻率(50 kHz )下工作,由於半導體損耗,在達到 150°C 最高結溫之前,可實現 75 kW 的額定功率。
將 CAB008M12GM3(8 mΩ)插入到完全相同的 75 kW / 50 kHz 系統中,仍顯示出很高的系統效率(高達 98.9%),但將元件結溫降低到了僅 114°C。在這種較低的溫度下運行元件,可延長元件壽命或提高可靠性,也可提供更高的開銷和超載能力。另外,尤為明顯的是,有提高結溫的空間,從而提高系統的額定功率,在這種情況下,可提高到 100 kW(50 kHz / Tj = 150°C)。
現在插入 CAB006M12GM3(6 mΩ),還可對上述討論的系統進一步增強性能。同樣,在給定額定功率下,可降低元件的工作結溫,或可通過增加系統的額定功率,甚至提高開關頻率來進一步利用額外的結溫裕量。以下給出了這項比較研究的摘要,以演示 GM3 平台提供的可擴展性選擇。

顯然,如所示,插入更大的 GM3 平台可增加基於 FM3 的解決方案的額定功率,但為可擴展解決方案帶來的益處不止這些。根據您的設計目標,降低操作結溫以增加系統魯棒性,或增加開關頻率以減少磁性元件尺寸/成本並提高控制範圍,它們都是為您的可擴展系統增強性能的理想方法。總而言之,GM3 平台為設計人員提供了輕鬆擴展電力電子系統的選擇。

除了增加模組尺寸或有源晶片面積外,另一種提高可擴展性的方法是選擇功率模組的材料堆疊。在沒有基板的情況下,這種選擇實際上只有兩種自由度,且會對模組(熱傳介質材料 (TIM) 和基板陶瓷材料)的總體熱阻產生顯著影響。從圖中可以看出,TIM 層可占總體節點-散熱片熱阻 (RthJH)的 60%。雖然最終用戶可從眾多 TIM 中進行選擇,但即使選用性能極高的散熱膏材料,也難以顯著影響 TIM 層的作用。而在另一個自由度方面,陶瓷基板可以顯著降低整體熱阻值,這是我們接下來將探討的問題。

WolfSpeed WolfPACK 系列的典型必備陶瓷基板是氧化鋁(Al2O3),因其具有極佳的性價比,非常適合此類無底板模組系列。但客戶瞭解,氮化鋁(AlN)可較大的提高性能,且成本的提升相對較低。AIN 的熱導率比 Al2O3 高 7 倍,因而也就不難理解這些影響了:降低熱阻,降低給定損耗的 Tj,提高給定損耗下的 PC 使用壽命,提高 SiC 性能的利用率。
考慮一下在 800 VDC 匯流排電壓、480 VAC 線對線 RMS 電網電壓、環境溫度 Tamb = 50 ℃ 和線路電感 L= 100 µH 下運行的 2 電平並網逆變器,也再次證明了這一點。與之前的可擴展性研究一樣,採用 AlN 基板的6mΩ GM3,即可在三個變數間進行擴展:功率、開關頻率和結溫。這為需要更大可用電流能力的客戶提供了解決方案,或者在某些用例下,可降低工作結溫以延長使用壽命,或者支持更高的散熱片溫度(降低成本)。

Wolfspeed WolfPACK 提供了一種建立在 SiC 技術長期投入基礎上的新設計
Wolfspeed WolfPACK 功率產品組合是數十年來對 SiC 研發投入的頂峰之作,加上無基板設計,為原始設備製造商和設計工程師提供了更多選擇,從而用以支持廣泛的行業應用。
通過在提供壓合式、無焊料引腳與外部 PCB 連接的容器內裝配幾個 SiC MOSFET,就為設計人員提供了更大的靈活性和可擴展性。Wolfspeed WolfPACK 系列功率模組根據 MOSFET 內部排列結構為特定應用提供優化的引腳分配(如半橋式、全橋式、六管集成以及降壓式/升壓式電路等)。Wolfspeed WolfPACK 外殼底部採用陶 瓷基板替代底板,該陶瓷基板用於模組底部和金屬墊片的電氣隔離,金屬安裝扣片利用彈簧力與散熱片連接。這種方法將壓力均勻地分佈到模組底部,確保了與散熱片充分的熱接觸,同時還為散熱片、模組以及 PCB 之間提供了穩固的機械連接。
無底板封裝中實現較高的功率密度,加之 SiC 技術,實現了緊湊佈局、更快速、更簡潔的開關切換,可為設計人員減少達 25% 的體積。除了功率密度優勢,Wolfspeed WolfPACK 模組還簡化了系統佈局和組裝流程。這讓從事中等功率應用工作的工程師能在很大程度上提高功率密度,同時最大限度降低設計複雜性。
Wolfspeed WolfPACK 固有的簡單性可支援高度的可擴展性,有助於加快生產流程,降低系統組裝成本,同時還提供了大量選擇。這些新型 Wolfspeed WolfPACK 模組搭載全SiC MOSFET 半橋和全 SiC MOSFET 六管集成,並具有多種不同導通電阻的選擇。
提供多種選擇和可靠性的功率模組
全新系列的 Wolfspeed WolfPACK 模組為設計人員提供適用於各種應用的功率產品組合,無論是進行單千瓦設計還是兆瓦系統之間的任何設計。
這些模組建立在 Wolfspeed 行業領先的 SiC 技術基礎之上,以小封裝實現超低損耗,非常適合規模化自動化和製造,從而為能源轉換系統提供清潔、可靠的電力。
請瀏覽 www.wolfspeed.com,獲取更多資訊 和規格書、參考資料和應用手冊。
Featured Products
Wolfspeed WolfPACK™ Silicon Carbide Power Modules Family
產品SKU | 在線購買 | 索取樣品 | 數據表 | 封裝 | 配置 | 阻斷電壓 | 額定電流 | RDS(ON) 在 25°C | 世代 | 最大結溫 | 模組尺寸 |
|---|---|---|---|---|---|---|---|---|---|---|---|
GM | Half-Bridge | 1200 V | 200 A | 4 mΩ | Gen 4 | 175 °C | 62.8 x 56.7 mm | ||||
GM | Half-Bridge | 1200 V | 200 A | 4 mΩ | Gen 4 | 175 °C | 62.8 x 56.7 mm | ||||
GM | Half Bridge (AlN substrate) | 1200 V | 200 A | 4.1 mΩ | Gen 4 | 150 °C | 62.8 x 56.7 mm | ||||
GM | Half Bridge (AlN substrate) | 1200 V | 200 A | 4.1 mΩ | Gen 4 | 150 °C | 62.8 x 56.7 mm | ||||
GM | Half Bridge (AlN substrate) | 2300 V | 200 A | 5 mΩ | Gen 4 | 150 °C | 62.8 x 56.7 mm | ||||
GM | Half Bridge (AlN substrate) | 2300 V | 200 A | 5 mΩ | Gen 4 | 150 °C | 62.8 x 56.7 mm | ||||
GM | Half Bridge (AlN substrate) | 1200 V | 200 A | 5.5 mΩ | Gen 4 | 150 °C | 62.8 x 56.7 mm | ||||
GM | Half Bridge (AlN substrate) | 1200 V | 200 A | 5.5 mΩ | Gen 4 | 150 °C | 62.8 x 56.7 mm | ||||
GM | Half-Bridge | 1200 V | 200 A | 6 mΩ | Gen 3 | 175 °C | 62.8 x 56.7 mm | ||||
GM | Half Bridge (AlN substrate) | 1200 V | 200 A | 6 mΩ | Gen 3 | 175 °C | 62.8 x 56.7 mm | ||||
GM | Half-Bridge | 1200 V | 200 A | 6 mΩ | Gen 3 | 175 °C | 62.8 x 56.7 mm | ||||
GM | Half Bridge (AlN substrate) | 1200 V | 200 A | 6 mΩ | Gen 3 | 175 °C | 62.8 x 56.7 mm | ||||
GM | Half Bridge (AlN substrate) | 2300 V | 200 A | 6 mΩ | Gen 4 | 150 °C | 62.8 x 56.7 mm | ||||
GM | Half Bridge (AlN substrate) | 2300 V | 200 A | 6 mΩ | Gen 4 | 150 °C | 62.8 x 56.7 mm | ||||
GM | Half Bridge (AlN substrate) | 2300 V | 170 A | 7.5 mΩ | Gen 4 | 150 °C | 62.8 x 56.7 mm | ||||
GM | Half Bridge (AlN substrate) | 2300 V | 170 A | 7.5 mΩ | Gen 4 | 150 °C | 62.8 x 56.7 mm | ||||
GM | Half Bridge (AlN substrate) | 1200 V | 181 A | 8 mΩ | Gen 3 | 175 °C | 62.8 x 56.7 mm | ||||
GM | Half-Bridge | 1200 V | 160 A | 8 mΩ | Gen 3 | 175 °C | 62.8 x 56.7 mm | ||||
GM | Half-Bridge | 1200 V | 160 A | 8 mΩ | Gen 3 | 175 °C | 62.8 x 56.7 mm | ||||
GM | Half Bridge (AlN substrate) | 1200 V | 181 A | 8 mΩ | Gen 3 | 175 °C | 62.8 x 56.7 mm | ||||
FM | Half-Bridge | 1200 V | 117 A | 11 mΩ | Gen 3 | 175 °C | 62.8 mm x 33.8 mm | ||||
FM | Half-Bridge | 1200 V | 117 A | 11 mΩ | Gen 3 | 175 °C | 62.8 mm x 33.8 mm | ||||
GM | Half-Bridge | 1200 V | 141 A | 11 mΩ | Gen 3 | 175 °C | 62.8 x 56.7 mm | ||||
GM | Half-Bridge | 1200 V | 141 A | 11 mΩ | Gen 3 | 175 °C | 62.8 x 56.7 mm | ||||
GM | Full-Bridge | 1200 V | 100 A | 11 mΩ | Gen 4 | 175 °C | 62.8 x 56.7 mm | ||||
GM | Full-Bridge | 1200 V | 100 A | 11 mΩ | Gen 4 | 175 °C | 62.8 x 56.7 mm | ||||
GM | T-Type | 1200 V | 100 A | 11 mΩ | Gen 4 | 175 °C | 62.8 x 56.7 mm | ||||
GM | T-Type | 1200 V | 100 A | 11 mΩ | Gen 4 | 175 °C | 62.8 x 56.7 mm | ||||
FM | Half-Bridge | 1200 V | 84 A | 16 mΩ | Gen 3 | 175 °C | 62.8 mm x 33.8 mm | ||||
FM | Half-Bridge | 1200 V | 84 A | 16 mΩ | Gen 3 | 175 °C | 62.8 mm x 33.8 mm | ||||
GM | Six-pack (three-phase) | 1200 V | 50 A | 16 mΩ | Gen 3 | 175 °C | 62.8 x 56.7 mm | ||||
GM | Six-pack (three-phase) | 1200 V | 50 A | 16 mΩ | Gen 3 | 175 °C | 62.8 x 56.7 mm | ||||
FM | Full-Bridge | 1200 V | 50 A | 17 mΩ | Gen 4 | 175 °C | 62.8 mm x 33.8 mm | ||||
FM | Full-Bridge | 1200 V | 50 A | 17 mΩ | Gen 4 | 175 °C | 62.8 mm x 33.8 mm | ||||
FM | Six-pack (three-phase) | 1200 V | 30 A | 21 mΩ | Gen 3 | 175 °C | 62.8 mm x 33.8 mm | ||||
FM | Full-Bridge | 1200 V | 48 A | 21 mΩ | Gen 3 | 175 °C | 62.8 mm x 33.8 mm | ||||
FM | Six-pack (three-phase) | 1200 V | 30 A | 21 mΩ | Gen 3 | 175 °C | 62.8 mm x 33.8 mm | ||||
FM | Full-Bridge | 1200 V | 48 A | 21 mΩ | Gen 3 | 175 °C | 62.8 mm x 33.8 mm | ||||
FM | Six-pack (three-phase) | 1200 V | 30 A | 32 mΩ | Gen 3 | 175 °C | 62.8 mm x 33.8 mm | ||||
FM | Full-Bridge | 1200 V | 37 A | 32 mΩ | Gen 3 | 175 °C | 62.8 mm x 33.8 mm | ||||
FM | Six-pack (three-phase) | 1200 V | 30 A | 32 mΩ | Gen 3 | 175 °C | 62.8 mm x 33.8 mm | ||||
FM | Full-Bridge | 1200 V | 37 A | 32 mΩ | Gen 3 | 175 °C | 62.8 mm x 33.8 mm |
Featured Design Tools
We lead the pack by making sure Silicon Carbide system education and design resources are right at your fingertips through our reference designs, evaluation kits, gate drivers, and technical resources. Learn more about Wolfspeed WolfPACK companion parts to better understand how this new module platform can help you increase product performance, accelerate time to market, and lower costs.
姓名 | 在線購買 | 封裝 | 設計由 | 產品SKU | 瀏覽產品 | Form |
|---|---|---|---|---|---|---|
GM | Wolfspeed | KIT-CRD-CIL12N-GMA | Evaluation Tool | |||
FM | Wolfspeed | KIT-CRD-CIL12N-FMA | Evaluation Tool | |||
FM | Wolfspeed | KIT-CRD-CIL12N-FMC | Evaluation Tool | |||
FM, GM, SpeedVal Kit | Wolfspeed | CGD1700HB2M-UNA | Gate Driver Board | |||
FM, GM, SpeedVal Kit | Analog Devices | EVAL-ADUM4146WHB1Z | Gate Driver Board | |||
FM, GM, SpeedVal Kit | Skyworks | Si823H-ACWA-KIT | Gate Driver Board |
References
- https://www.wolfspeed.com/knowledge-center/article/demystifying-pcb-layout-methodologies-for-sic-gate-drivers
- https://www.wolfspeed.com/downloads/dl/file/id/1971/product/745/cpwr_an45_wolfspeed_wolfpack_trade_application_note.pdf
- https://www.wolfspeed.com/knowledge-center/article/enabling-system-upgrades-with-sic-technology-using-industry-standard-base-plate-less-packaging
- A. Zeanh et al., “Thermomechanical Modelling and Reliability Study of an IGBT Module for an Aeronautical Application,” EuroSimE 2008 - International Conference on Thermal, Mechanical and Multi-Physics Simulation and Experiments in Microelectronics and Micro-Systems, Freiburg im Breisgau, 2008, pp. 1–7.
- Mauro Ciappa, “Selected failure mechanisms of modern power modules,” Microelectronics Reliability, Volume 42, Issues 4–5, 2002, pp. 653–667, ISSN 0026-2714, https://doi.org/10.1016/S0026-2714(02)00042-2.