
藉由 Wolfspeed SiC 的力量持續發光
By Sarah Magargee
Article
EPC 開啟了模組化、可靠電網儲能的開關
數十年來,電網持續扮演能源生產者和消費者之間的可靠電力渠道,只要輕鬆按下開關便能順暢地傳輸電力。然而,由於對太陽能及風力等再生能源發電的需求不斷增加,使既有的電網面臨新挑戰,包括整合儲能以確保用電高峰期能有足夠的電力供應。
EPC Power為首屈一指的公用事業規模逆變器製造商,提供尖端能源轉換解決方案,其與 Wolfspeed 成為合作夥伴,聯手為儲能打造解決方案。運用碳化矽的力量,「M」成為業界首款將電網相關儲能的效能、可靠性,以及可擴充性提升至新境界的公用事業規模組串式逆變器。
- 打造一款效能與功率密度領先業界的儲能逆變器
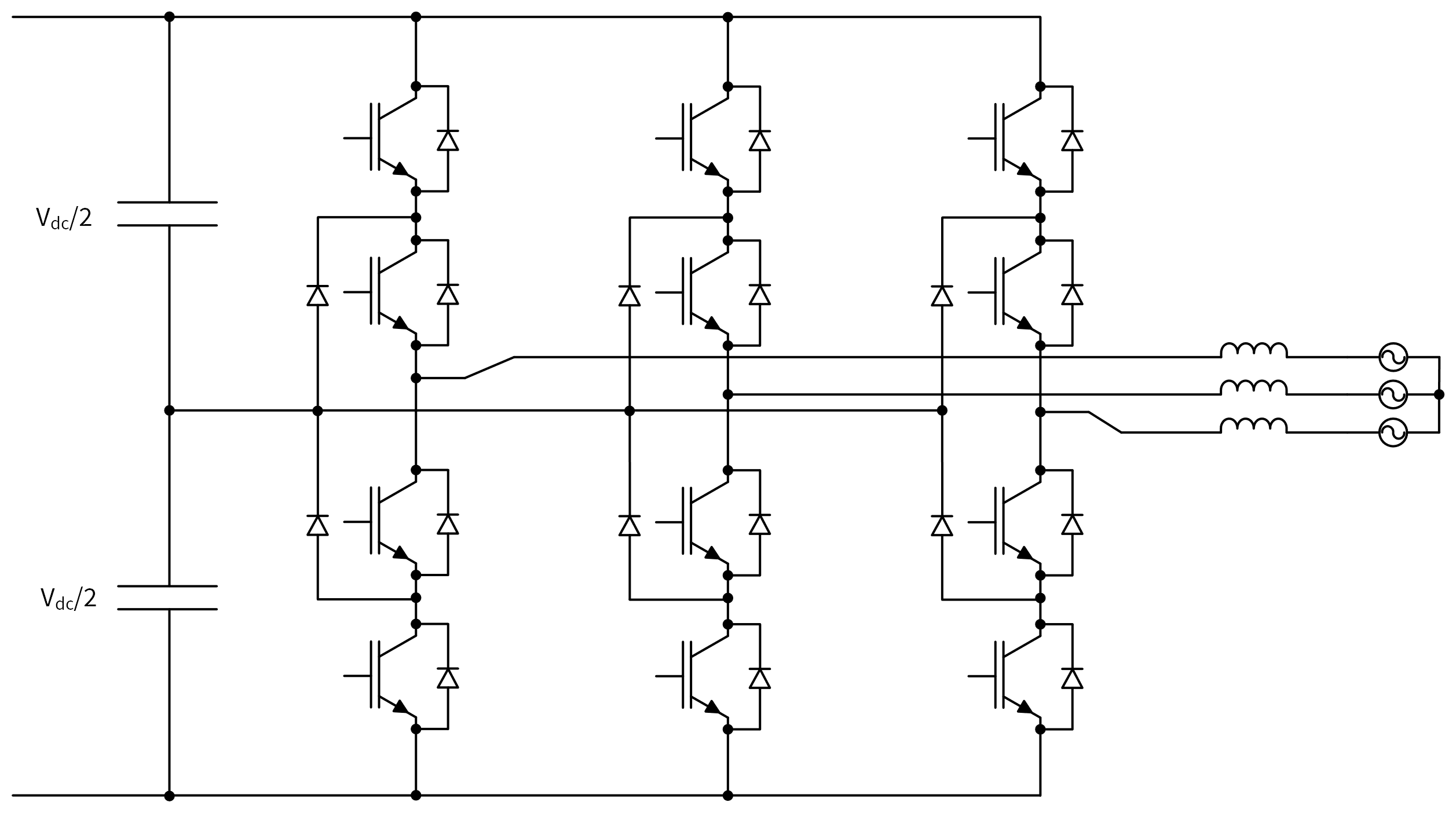
- 設計一套只要使用單一逆變器模塊,便能對應各種功率和電壓位準的模組化系統
- 確保系統的維護需求低、易於檢修且能大量生產,以在全球快速部署
- 結合兩家公司的創新精神,將 2300 V Wolfspeed WolfPACK™ 功率模組融入到 EPC Power 的新穎的儲能解決方案中
- 「M」逆變器 – 業界首款針對電池式儲能系統進行最佳化的模組化串列式集中型逆變器
- 可供電網使用的靈活逆變器,涵蓋各種功率和電壓位準,提供領先業界的效能與功率密度
- 維護及檢修需求低
- 能輕鬆大量生產,於全球範圍迅速部署解決方案
「M」代表模組化 (Modularity)
傳統的儲能系統使用集中型逆變器 進行功率轉換。這些龐大裝置的運行功率為 4 至 6 兆瓦,且容易因系統的規模及複雜性而發生停機情形。長時間儲存大量再生能源,會對集中型逆變器造成進一步的負擔。EPC的 “M”逆變器結合了住宅型與商業型太陽能系統中常見串列式逆變器的靈活性,以及能夠為整個城市供應再生能源的規模程度。

使用模組化方法「M」可以透過連接多個小型逆變器,來形成客製化的集中型逆變器。「M」逆變器的被動元件數量較少,體積明顯較小,且具有寬廣的交流 和直流操作範圍,並提供世界一流的功率密度。「M」模組化系統比集中型逆變器更易於安裝與維護,能夠達到更卓越的正常運作時間且故障點較少。
「M」填補了兩種逆變器架構之間的差異,創造出在顯著較高之電壓位準下仍穩定且可靠的電池儲能。藉由把能源拆分為較小的模塊,能源公司在設計逆變器系統時,得以更加符合個別儲能位置的特定需求。
創新關鍵
「技術會開啟商機。碳化矽是一個工具,而如果能在系統中加以利用,從中收集益處,便可以達到技術的典範轉移。Wolfspeed SiC 使 EPC 能夠達到全球能源製造及儲存方法的典範轉移。」
EPC 深知,利用碳化矽的獨特優勢,是達到可靠電網層級儲能的關鍵。Wolfspeed 的新型 2300 V 碳化矽 Wolfspeed WolfPACK™ 功率模組專為 1500 V 匯流排所量身打造,能夠從典型的 3 階架構轉換為簡化的 2 階能源轉換系統。這項解決方案將系統設計從傳統的匯流排條改為成本較低的 PCB,顯著減少了開發時間及成本。

圖 1 比較了複雜的 3 階 NPC 系統架構(採用 1200 V IGBT),以及大幅簡化的 2 階系統(採用 2300 V WolfPACK 功率模組)。

簡化的 2 階系統,降低了驅動器數量和控制上的複雜性,同時提高了可擴充性。
SiC 模組的切換效能讓 EPC 能夠大幅降低「M」的尺寸,減少被動元件數量及系統整體成本。此項創新使安裝與維護更加容易,打造出業界首款針對公用事業規模的電池儲能系統並進行最佳化的逆變器。
EPC 與 Wolfspeed 的專家密切合作,透過將 2300 V WolfPACK 的宇宙射線 FIT 與 2000 V 元件相比最大降低 7 至 8 倍,延長「M」系統的壽命。利用這項利用這項特性使 M 的壽命更長,可靠性也更高,進而直接轉化為較少的故障和較低的維護成本。
合作關係的力量
身為世界上最先進碳化矽半導體技術的創造者,Wolfspeed 在整個設計過程中提供密切支援,協助客戶發揮碳化矽的最大優勢。這項理念引領著 Wolfspeed 與市場創新者之間的合作關係,促成了世界上最具顛覆性的技術。
「EPC 與 Wolfspeed 的理念相當契合。這家公司是將碳化矽商業化的先驅,而且遙遙領先其他競爭對手,有什麼理由不與一起合作呢?」
「Wolfspeed 和 EPC 展開討論、捲起袖子然後開始工作,」Wolfspeed 執行長 Gregg Lowe 說道。「EPC 的野心和實力都讓我留下深刻印象,促使我們所有人有效率地往前邁進,推出讓電網徹底變革的產品,並為所有人帶來更加永續的未來。」

關於 EPC
EPC Power 為首屈一指的能源轉換解決方案供應商,是公用事業規模太陽能及儲能逆變器的專家。EPC Power 追求創新、高品質及客戶滿意度,致力於提供可靠且可擴充的解決方案,滿足客戶不斷變化的需求。如欲瞭解更多,請瀏覽 www.epcpower.com。